1
/
of
2
Stahlwille - 3030015
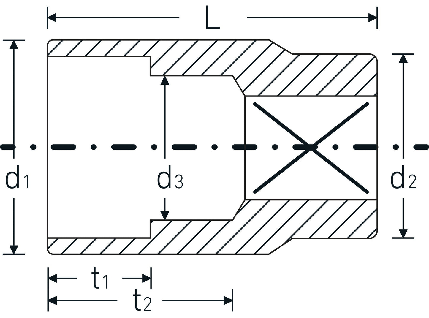
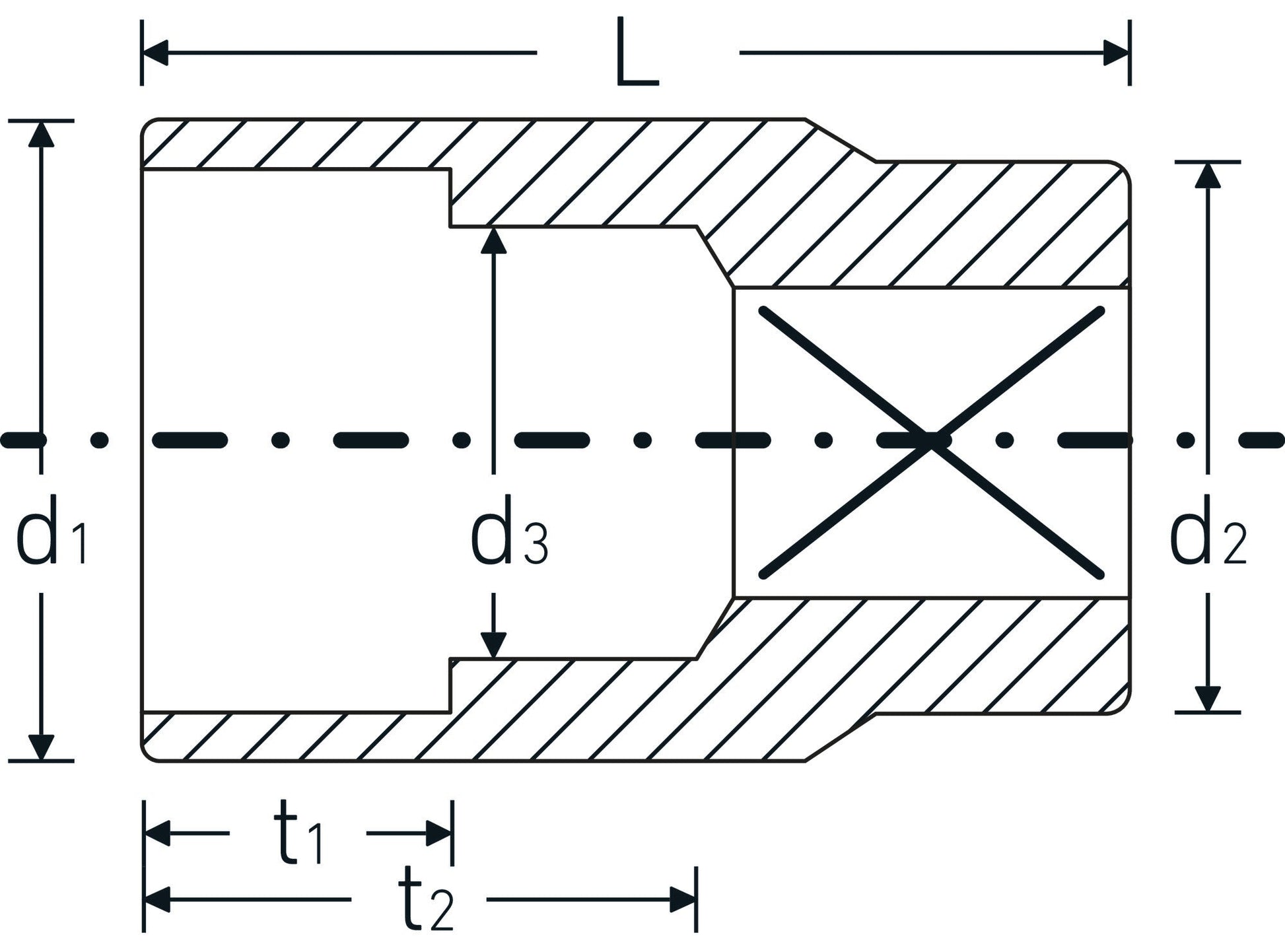
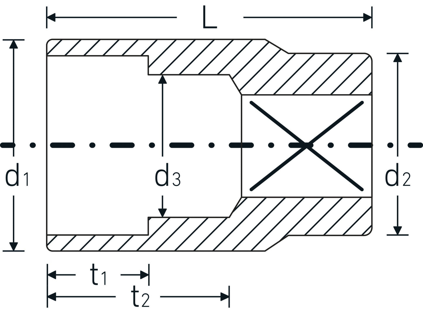
Features
High Performance Quality (HPQ®)Our HPQ® tool is made of wear-resistant high-performance steel, yet is thin-walled and lightweight. It withstands high torques and is ideal for work in confined spaces such as turbines.
Properties
- DIN 3124/ISO 2725-1, ASME B 107.5M, DIN EN 3709 (test loads)
- HPQ® high performance steel, chrome plated
Stahlwille
Stahlwille 3030015 52 15 Sockets
Stahlwille 3030015 52 15 Sockets
GTIN : 4.01875E+12
MPN :
SKU : kpt195-3030015Back Order
Get it by Wed, Dec 03 - Mon, Dec 08
Regular price
$28.29
Regular price
Sale price
$28.29
Unit price
/
per
Shipping calculated at checkout.
Couldn't load pickup availability
Share

