1
/
of
2
Stahlwille - 2010008
Features
High Performance Quality (HPQ®)Our HPQ® tool is made of wear-resistant high-performance steel, yet is thin-walled and lightweight. It withstands high torques and is ideal for work in confined spaces such as turbines.
Properties
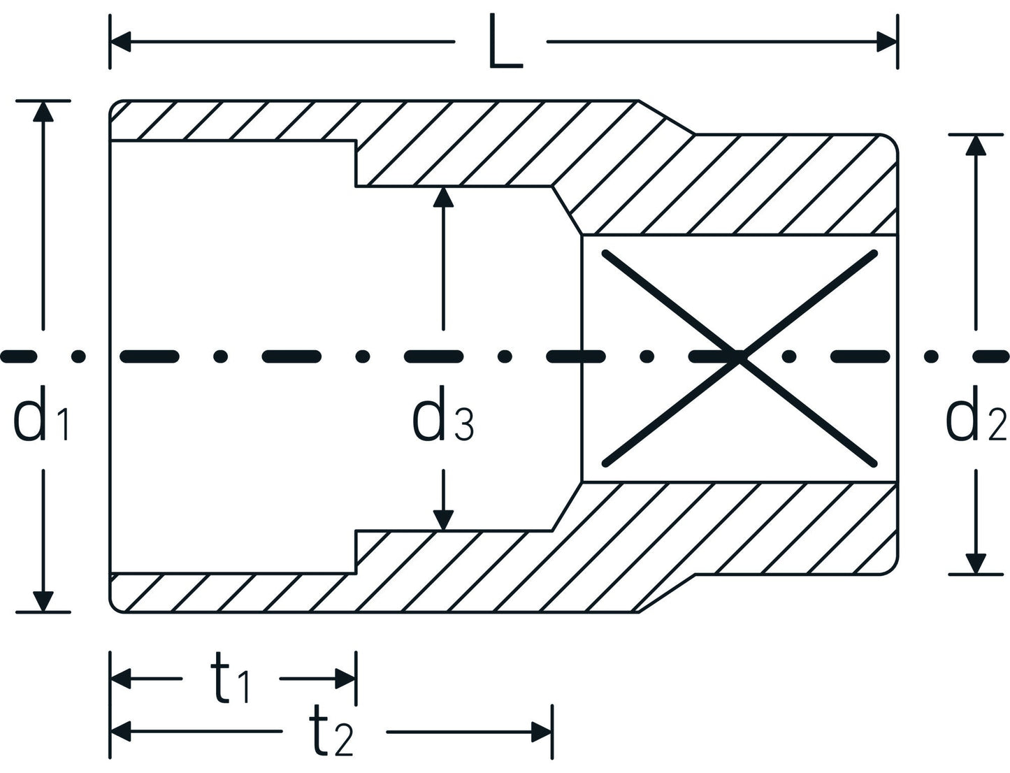
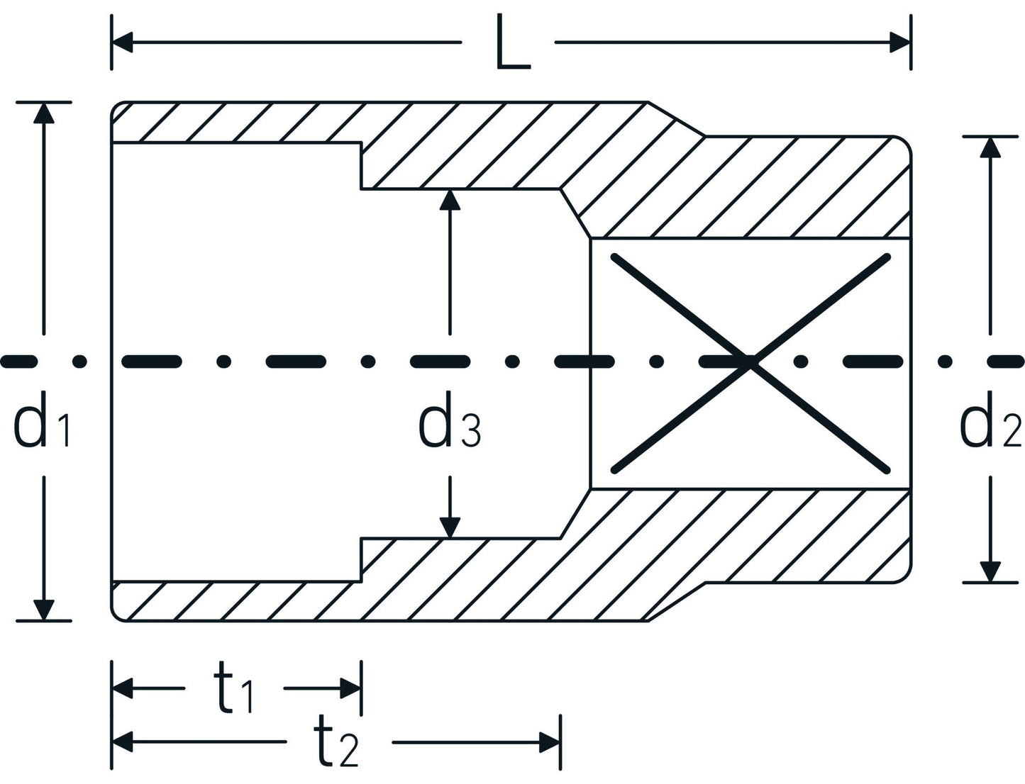
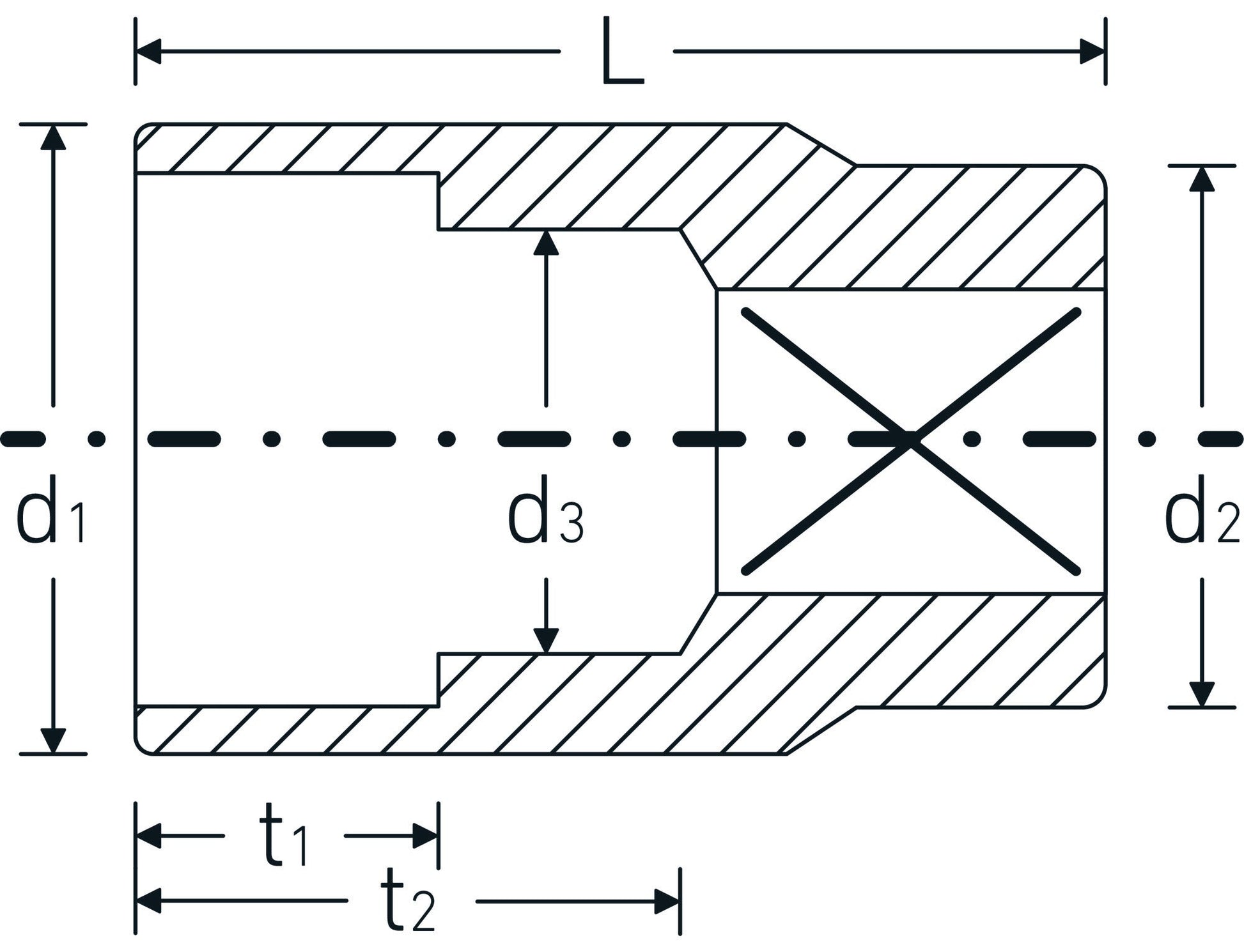
- DIN 3124/ISO 2725-1, ASME B 107.5M, DIN EN 3709
- HPQ® high performance steel, chrome plated
Stahlwille
Stahlwille 2010008 45 8 Sockets
Stahlwille 2010008 45 8 Sockets
GTIN : 4.01875E+12
MPN :
SKU : kpt195-2010008Back Order
Get it by Thu, Dec 25 - Tue, Dec 30
Regular price
$28.29
Regular price
Sale price
$28.29
Unit price
/
per
Shipping calculated at checkout.
Couldn't load pickup availability
Share

